適用范圍:
◇適用于爆炸性氣體環境1區、2區場所;
◇適用于II A、II B、II C類爆炸性氣體環境;
◇適用于可燃性粉塵環境21區、22區場所;
◇適用于T1~T4(T6)組溫度組別;
◇廣泛用于石油開采、煉油、化工、海洋石油平臺、郵輪等易燃易爆氣體環境,也用于軍工、金屬加工等可燃性粉塵場所。
產品特色:
◇外殼采用ZL102鋁合金壓鑄成型,表面高壓靜電噴塑;
◇內裝交流接觸器,熱續電器,自復位**轉換開關,帶總開關時還裝有高分斷路器;
◇可控制交流50Hz,380V三相異步點動機的直接起動停止,并具有過載和斷相及失壓保護;
◇可帶遠控;
◇鋼管或電纜布線均可;
◇最大電流63A。
技術參數:
執行標準:GB3836.1、GB3836.2、GB3836.3、GB12476.1、GB12476.5、IEC600794-0、IEC60079-1、IEC60079-7、IEC61241-0、 IEC61241-1、EN60079-0、EN60079-1、EN60079-7、EN61241-0、 EN61241-1 |
| 防爆標志:Ex d e IIB T6 Gb/Ex tD A21 IP65 T8O°C | Ex d e IIC T6 Gb/Ex tD A21 IIP65 T80°C |
| 額定電壓:380V/400V |
| 額定電流:10A、16A、 20A、 25A、 32A、40A、50A、 63A、100A |
防護等級:IP54、*IP65 防腐等級:WF1、*WF2 外殼材質:ZL102 內裝元件:接觸器;熱續電器;國際知名品牌接線端子; BD8060指示燈;自復位**轉換開關 進出線口方向:下進下出 安裝方式:掛式 注:和根據用戶要求增加遠控功能 |
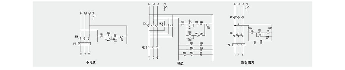
電氣原理圖示例
