適用范圍:
◇1區、2區危險場所;
◇ⅡA、ⅡB、ⅡC級爆炸性氣體環境。
產品特色:
◇外殼為鋼板焊接而成,表面高壓靜電噴塑;
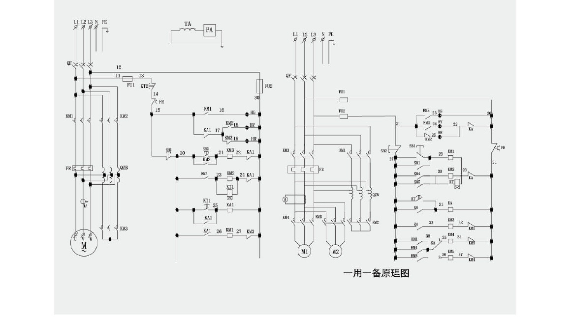
◇內裝自耦變壓器、交流接觸器、時間斷電器、中間斷電器、熱斷電器、電流互感器、轉換開關、熔斷器、電壓表、指示燈等。
◇具有過載、短路、失壓、斷相保護等功能;
◇延時自動控制時間斷電器(0~60秒內可調);
◇適用于不間斷長期工作制反復短時工作制,在反復短時工作制下的操作頻繁為30次/小時,兩次連續起動間隙不小于15分鐘;
◇鋼管或電纜布線均可;
◇可根據用戶要求特制。
執行標準
◇GB3836.1-2010、GB3836.2-2010、 GB3836.3-2010 等效于IEC60079-0、1EC60079-1、 IEC60079-7。
技術參數:
型號 | 電機功率 (KM) | 額定電流 (A) | 自耦變壓器容量 容量(KVA) | 電流互感器比值 | 防爆標志 | 進線口螺紋 | 出線口螺紋 | 電纜外徑 (mm) | 防護等級 |
BQJ-14 | 14 | 28 | 14 | 50/5 | Exd II B T4/T5/T6 Gb/Ex tD A21 IP66 T135/95/80°C | G1"~G4' | G1"~G4" | Φ11~Φ82 | IP54 *IP65 |
| BQJ-22 | 22 | 44 | 22 | 75/5 |
| BQJ-30 | 30 | 60 | 30 |
| BQJ-40 | 40 | 80 | 40 | 100/5 |
| BQJ-45 | 45 | 90 | 45 | 150/5 |
| BQJ-55 | 55 | 110 | 55 |
| BQJ-75 | 75 | 142 | 75 | 300/5 |
| BQJ-90 | 90 | 180 | 115 |
| BQJ-115 | 115 | 230 |
電氣原理圖示例
